Pride Exhaust
Porsche 911 997/GT2/RS Turbo Coolant Elbow Pipes for Oil Exchanger
Porsche 911 997/GT2/RS Turbo Coolant Elbow Pipes for Oil Exchanger
SKU: CP-PS997TT
Couldn't load pickup availability
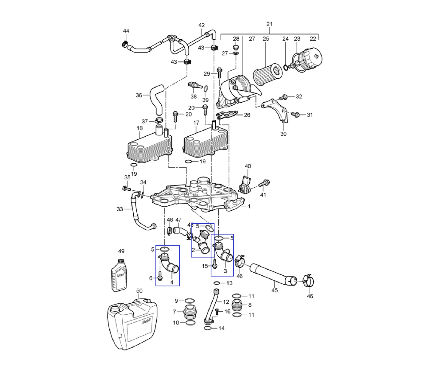
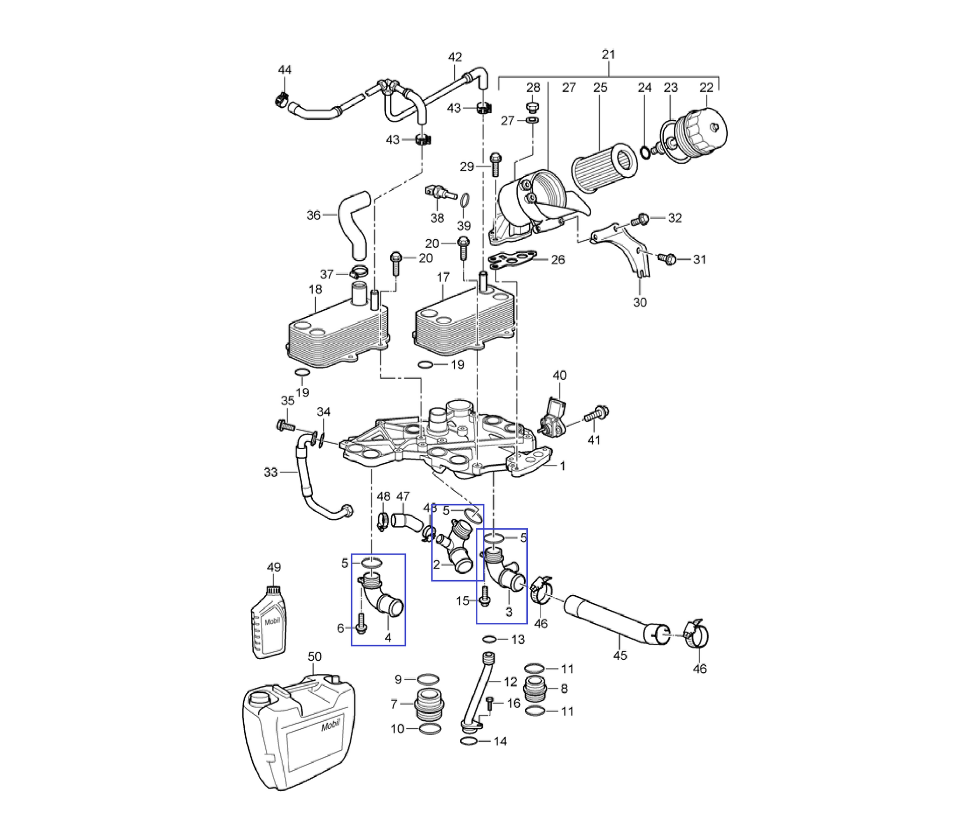
Pride Exhaust offers a solution for the weak factory plastic units that are prone to failures.
This set of stainless steel coolant pipes replaces the plastic elbow's that attach to the engine block for a permanent solution.
This product fixes a lesser known issue involving the plastic coolant elbow pipes that run to the two oil coolers(heat exchangers). These pipes are molded plastic and have a very thin wall where the pipe connects to the engine with an O-ring seal. The problem is that over time and mileage, the thin plastic wall will break down at the O-ring slot (its weakest and thinnest point) causing coolant to leak.
This item is considered preventative maintenance and should be installed on all 997 Turbo (2007-2009), 997 GT2 (2008) and 997 GT2RS models. This part is not required or compatible with 996 Turbo models (which already have a metal tube).
Fits
- 2007-2009 997 911 Turbo 3.6L H6
- 2007-2009 997 GT2 3.6L H6
- 2010-2013 997.2 GT2RS 3.6L H6
Factory Part Numbers
- 99710631471
- 99710631372
- 99710631570



